| CPC B65G 17/20 (2013.01) | 6 Claims |

|
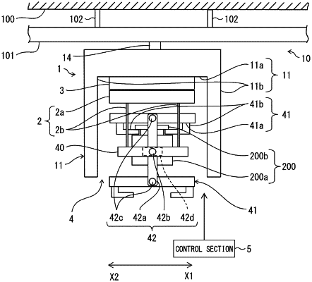
1. A conveyance device comprising:
a carriage configured to travel along a track; and
a transfer section hung from the carriage so as to be capable of being raised and lowered,
the transfer section including
a plurality of gripping parts each of which is configured to revolve about a rotation center provided in the transfer section and grip a conveyance target,
arm parts each connected with the plurality of gripping parts, and
support parts supporting the corresponding arm parts and provided with respective support shafts constituting the rotation center,
the plurality of gripping parts being supported by the arm parts so as to be rotatable with respect to the arm parts.
|