| CPC B60R 16/0231 (2013.01) [B60Q 1/0094 (2013.01); B60Q 1/305 (2013.01); B60Q 1/44 (2013.01); B60R 16/033 (2013.01); B60T 7/20 (2013.01); B60T 13/662 (2013.01); B60T 17/22 (2013.01); B60Q 1/22 (2013.01); B60Q 1/34 (2013.01)] | 20 Claims |

|
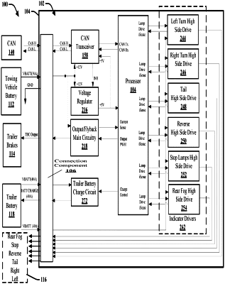
10. A towed vehicle controller comprising:
a) a CAN transceiver;
b) a processor, in electrical communication with the CAN transceiver and configured to:
receive differential CAN signals from the CAN transceiver, the differential CAN signals being indicative of instructions from a towing vehicle;
process the differential CAN signals to determine a braking response or a vehicle indicator response;
generate a vehicle indicator response control signal based on the vehicle indicator response;
generate a braking response control signal, independent of the vehicle indicator response control signal, based on the determined braking control response;
c) an output main circuit, operatively connected to the processor and a trailer brake system, the output main circuit configured to:
receive the braking response control signal from the processor;
modulate electrical power supplied to the trailer brake system based on the braking response control signal; and
d) at least one indicator driver, operatively connected to the processor and at least one trailer light, the at least one indicator driver configured to:
receive the vehicle indicator response control signal from the processor; and
modulate electrical power supplied to the at least one trailer light based on the vehicle indicator response control signal.
|