| CPC H02J 7/007182 (2020.01) [H02M 3/1582 (2013.01)] | 20 Claims |

|
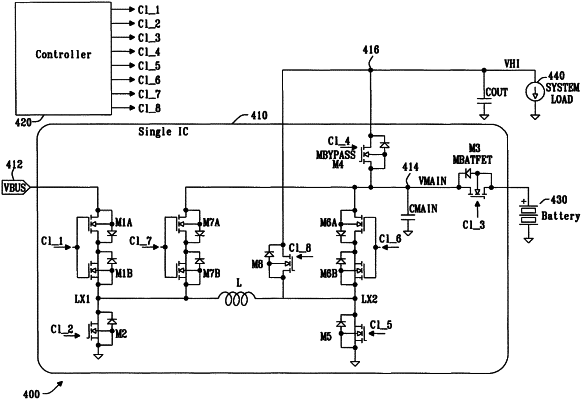
1. A power management circuit comprising a switching converter coupled to a controller for operating the switching converter, the switching converter comprising
a first set of switches coupled to a first terminal for receiving an input voltage;
a second set of switches coupled to a second terminal for coupling to a battery;
a single inductor, the single inductor being provided between a first switching node of the first set of switches and a second switching node of the second set of switches; and
wherein the controller is configured to generate a first error signal, and a second error signal and to provide an inductor current of the single inductor to the second terminal when the second error signal is greater than the first error signal or to a third terminal when the second error signal is less than the first error signal.
|