| CPC G09G 3/32 (2013.01) [H01L 25/0753 (2013.01); H01L 25/167 (2013.01); H10H 20/857 (2025.01); G09G 2300/0842 (2013.01); G09G 2310/08 (2013.01); G09G 2320/041 (2013.01); G09G 2320/0626 (2013.01)] | 11 Claims |

|
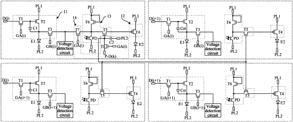
1. A display substrate, comprising:
a plurality of pixel units and at least one compensation circuit;
wherein at least one pixel unit comprises a main light emitting unit and an auxiliary light emitting unit; the at least one compensation circuit is connected with the auxiliary light emitting unit of at least one pixel unit; and
the at least one compensation circuit is configured to detect a brightness of the at least one pixel unit and control the auxiliary light emitting unit of the at least one pixel unit to emit light according to a detection result,
wherein the compensation circuit comprises a compensation control circuit and at least one detection circuit connected to the compensation control circuit; the detection circuit is connected with the auxiliary light emitting unit of one pixel unit;
the detection circuit is configured to detect a brightness of the connected pixel unit; and
the compensation control circuit is configured to control the auxiliary light emitting unit connected to the detection circuit to emit light according to a detection result of the detection circuit,
wherein the compensation control circuit comprises a first control sub-circuit and a second control sub-circuit;
wherein the first control sub-circuit is connected to a first scan line, one voltage detection circuit and one detection circuit, and is configured to transmit the detection result of the detection circuit to the voltage detection circuit under the control of the first scan line, so that an external control circuit connected to the voltage detection circuit updates a compensation control signal according to the detection result; and
the second control sub-circuit is connected with the first scan line, a compensation data line, a second power supply line and at least one detection circuit, and is configured to transmit the compensation control signal provided by the compensation data line to the at least one detection circuit under the control of the first scan line, so as to control the at least one detection circuit to transmit the detection result to a corresponding auxiliary light emitting unit.
|