| CPC E21B 33/085 (2013.01) [E21B 47/06 (2013.01)] | 5 Claims |

|
1. A control system for a rotating control device (RCD) for rotary drilling in a wellbore, comprising:
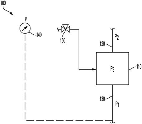
RCD equipment having an internal pressure P3, the RCD equipment being operably connected to a wellbore having a wellbore pressure P1;
a wellbore pressure gauge operably connected to the wellbore and configured to read the wellbore pressure P1 at the wellbore below the RCD equipment;
a return line leading toward a ground surface and having a return pressure P2, the RCD equipment being operably connected to the return line;
a return pressure gauge operably connected to the return line and configured to read the return pressure P2 at the return line above the RCD equipment;
a regulator configured to adjust a fluid pressure supplied to the RCD equipment to control the internal pressure P3; and
a software logic configured to automatically control the wellbore pressure gauge, the return pressure gauge, and the regulator, and
wherein the regulator is further configured to control the internal pressure P3 based on the wellbore pressure P1 read by the wellbore pressure gauge and the return pressure P2 read by the return pressure gauge.
|